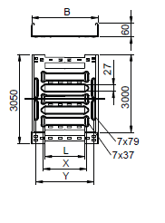
CABLE LADDER, galvanized, 60x100mm, length of 3.05m

NST PELETRUNL613

Valid Article



OC subscriptions: included in supply or field order tools (e.g. UniField)
SC subscriptions: included in supply or field tools
OC validations: approved for procurement and use by an OC for international or local orders specifying context and activity in Medical Standard Lists (MSL)

https://msf.oodin.sh/web/image/product.template/563648/image_1920?unique=f22990d

This combination does not exist.

Add article to list

   

Add Kit To Wishlist