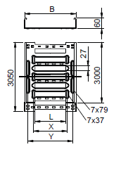
(cable ladder 100mm) CEILING BRACKET, C-shape

NST PELETRUNL613B

Valid Article



OC subscriptions: included in supply or field order tools (e.g. UniField)
SC subscriptions: included in supply or field tools
OC validations: approved for procurement and use by an OC for international or local orders specifying context and activity in Medical Standard Lists (MSL)

https://www.unicat.msf.org/web/image/product.template/563651/image_1920?unique=14c0010

This combination does not exist.

Add article to list

   

Add Kit To Wishlist