Subcatalogues
HIV-AIDS drugs
Non-Communicable Diseases drugs
Laboratory - TB Culture
Laboratory - Bacteriology
TB drugs
NTDs/TriTryps drugs
Malaria drugs
Hepatitis B drugs
Hepatitis C drugs
Biomedical articles
Toyota Landcruiser order tool
Laboratory - Mini-Lab
Kenya Office
SUKA
MSF SK technical approved
Groupes
A - Administration / Bureau
C - Camps & Construction
D - Médicaments
E - Equipement médical
K - Kits
L - Bibliothèque
N - Nutrition
P - Support de programme
S - Matériel médical renouvelable
T - Transport
X - Services
Y - Pièces de rechange mécaniques
Familles LOG
A - Administration / Office
ADAP - Data processing
AFOO - Food for MSF teams
AFUR - Furniture
ALIF - Team life
ALST - Logistic stationery
AOFF -Office equipment
ASTA- Stationery
C - Camps & Construction
CBUI - Building
CCLI - Acclimatization
CSEM - Semi-perma structs
CSHE - Shelter
CWAS - Waste
CWAT - Water and sanitation
K - Kits
KADM - Administration kits
KBUI - Building kits
KCAM - Camp kits
KCOM - Communication kits
KLIB - Kit, Library
KPRO - Programme support kits
KTOO - Kits for tools
KTRA - Transport kits
KWAS - Waste kits
KWAT - Water and sanitation kits
N - Nutrition
NFOO - Food commodities
NSFO - Stat. food comm.
P - Programme support
PCOL - Cold chain
PCOM - Communication
PCOO - Cooking equipment
PELE - Electricity
PHDW - Hardware
PHYG - Hygiene
PHYP - Personal hygiene
PIDE - Identification
PPAC - Packing and handling
PPAI - Paint
PSAF - Safety and protective
PTOO - Tools
T - Transport
TAIR - Air transport accessories
TBOA - Boat and boat accessories
TMOT - Motorcycles and quads and acc.
TTOY - Toyota vehicles
TTRA - Agriculture machinery
TTRU - Trucks > 3.5 T
TTYR - Tyre
TVEA - Vehicle accessories
TVEC - Vehicle consumables
TVEH - Vehicle other than Toyota
TVEM - Vehicle modifications
TVES - Vehicles with special purposes
Familles MED
D - Drugs
DEXO - Ophtalmic drugs ext
DEXT - Drugs for external use
DINF - Infusions
DINJ - Injectable drugs
DORA - Oral drugs
DVAC - Vaccines
E - Medical equipment
EANE - Anaesthesia
EANT - Anthropometric equipment
EDDC - Drug dispensing
EDIM - Diagnostic Imaging equipment
EEMD - Electro mechanical medical devices
EHOE - Hospital furniture
EIMT - Inspection, measuring and test equipment
ELAB - Laboratory equipment
ELAE - Electrical laboratory equipment
ELIN - Linen and protection clothing
EMEQ - Small medical equipment
EPHY - Physiotherapy equipment
EPSY - Psychological support
ESTE - Sterilization material
More...
K - Kits
KMED - Medical kits
KSUD - Dental surgical instr.
KSUI - Internal fixation inst.
KSUR - Surgical instruments
N - Nutrition
NFOS - Specialized food
NSFS - Stationary Specialized
S - Renewable medical supplies
SAST - Antibiotic Susceptibility Test
SBCM - Bacteriological culture media
SBQC - Bacterial strains Quality Control
SCTD - Catheters, tubes and drains
SDDC - Drug dispensing & compounding
SDIM - Diagnostic imaging supplies
SDIS - Disinfectants
SDRE - Dressings
SIGN - NAIL of SIGN material
SINS - Matériel d'injection
SLAS - Réactifs de laboratoire
SMST - Medical stationery
SMSU - Petit matériel médical
SPAP - ParaPharmacie
More...
Checklists
IDIM - Imagerie diagnostique
IDRU - Médicaments
ISRH - Santé sexuelle et Reproductive
ILAB - Laboratoire
ISUI - Instruments Chirurgie
INUT - Nutrition
INUR - Soins infirmiers
Infos
Intros
Therapeutic Groups
Résumé des changements
FAQ
Confidentialité
0
List
0
Sign in
English (US)
English (US)
Français
Show categories
Categories
All Products
P - Programme support
PELE - Electricity
PELETRUN - Sheath, pipes, trunking
Show options
Article info
Valid articles
With specifications
Used by
OCA
OCB
OCBA
OCG
OCP
Supplied by
MSF Supply
MSF Log
APU
Casier Départ
MSFSK
Standardization Level
STD
NST
NSL
Type
LOG
MED
LIB
SRV
Products
P - Programme support
PELE - Electricity
PELETRUN - Sheath, pipes, trunking
Liste de prix publique
Liste de prix publique
Sort By:
Article label: A to Z
Article label: Z to A
Code: A to Z
Code: Z to A
Export Products
Select field(s) to export to Excel
Image
Code
Label
Account
Status
Standardisation
HS Code
URL
Manufacturing Ref
['&', '&', ('sale_ok', '=', True), ('website_id', 'in', (False, 1)), ('public_categ_ids', 'child_of', 20881)]
Export
Sheath, pipes, trunking
PELETRUNB401
NST
(Batibox) BOX SUPPORT, 1 module
PELETRUNB402
NSL
(Batibox) BOX SUPPORT, 2 module
PELETRUNC20TR
NST
CABLE COVER, rubber, 100x30mm, 10m, for cable Ø 20mm
PELETRUNC389V
NST
CABLE COVER, 890x590x75mm, 3xØ38mm & 2xØ36mm
PELETRUNC404R
NST
CABLE COVER, rubber, 170x50mm, 4m, for cable Ø 40mm
PELETRUNC505P
NST
CABLE COVER, plastic, 500x68x910mm, for 3 x Ø50mm
PELETRUNC601V
NST
CABLE COVER, 100x235x70mm, Ø60mm
PELETRUNF2065
NSL
(conduit cable flexible) CONDUIT FITTING, M20, IP65
PELETRUNF2565
NSL
(conduit cable flexible) CONDUIT FITTING, M25, IP65
PELETRUNF3265
NSL
(conduit cable flexible) CONDUIT FITTING, M32, IP65
PELETRUNH16
NST
HOLDER, for 16mm cable sheath
PELETRUNH19
NST
HOLDER, for 19mm cable sheath
PELETRUNH25
NSL
HOLDER, for 25mm cable sheath
PELETRUNL613
NST
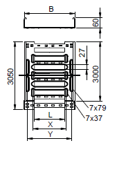
CABLE LADDER, galvanized, 60x100mm, length of 3.05m
PELETRUNL613B
NST
(cable ladder 100mm) CEILING BRACKET, C-shape
PELETRUNL613C
NST
(cable ladder 100mm) COVER, galvanized, length of 3m
PELETRUNO452
NST
(LED light strip) PROFIL, aluminium, 45° 2m
PELETRUNP02CE
NSL
(conduit cable) COUPLING, galvanised steel, for EMT pipe Ø2"
PELETRUNP02TE
NSL
(conduit cable) T-COUPLING, galvanised steel, EMT pipe Ø2"
PELETRUNP02WE
NSL
(conduit cable) ELBOW CONNECTOR 90º,galv. steel,EMT pipe Ø2"
1
2
3
4
5
6
7
Add article to list
Add Kit To Wishlist
We use cookies to provide you a better user experience.
Cookie Policy
I agree